◆ 技術的なパラメーター:
| モデル | Cybn100 | Cybn150 |
| 公称直径 | φ 100 | φ 150 |
| 取り付けタイプ | ラジアルコンベックスが取り付けられています 平行インターフェイス | * | * |
| ラジアルコンベックスが取り付けられています 8文字のインターフェイス | | * |
| エキセントリックなエキセントリックフラッシュタイプ | * | * |
| 測定範囲 | 差圧 測定範囲 KPA | 名目 作業圧力 KPA | 差圧 測定範囲 MPA | 名目 作業圧力 MPA |
| 0 〜 10 | 60 | 0 〜 0.16 | 1 |
| 0 〜 16 | 100 | 0 〜 0.25 | 1.6 |
| 0 〜 25 | 160 | 0 〜 0.4 | 2.5 |
| 0 〜 40 | 250 | 0 〜 0.6 | 4 |
| 0 〜 60 | 400 | 0 〜 1 | 6 |
| 0 〜 100 | 600 | 0 〜 1.6 | 10 |
| | | 0 〜 2.5 | 10 |
| 精度クラス | 2.5 |
| スレッドのフィッティング | M20 × 1.5 |
| 周囲温度を使用します | -40 ℃~ 70 ℃ |
| 使用する媒体の温度 | ≤ 60 ℃ |
| 振動抵抗定格 | v ・ h ・ 4 |
| エンクロージャー評価 | IP65 |
| 重さ | 約 1.5 kg |
| 衝動システムの材料 | 0CR17NI12MO2 、 SUS316 |
| ケーシングおよびその他の材料 | 1cr18ni9 、 SUS304 |
| 標準を実施します | JB/T 12015-2014 |
| 注記: 1 。ジョイントスレッドは、ユーザーの要件に従ってカスタマイズできます。 |
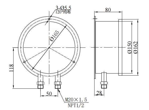
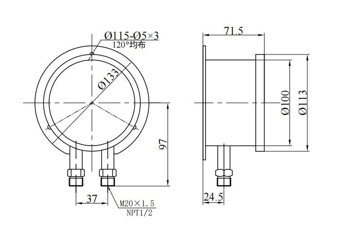
◆外観とインストールサイズ:
| Cybn100 平行インターフェイス | Cybn150 平行インターフェイス |
| Cybn150 Baziインターフェイス | Cybn150 軸方向の偏心 |
◆構造原則:
この機器は、二重のブルドンチューブ構造を採用しています。つまり、2つのブルドンチューブが「I」ブラケットの両側の対称位置に設置されています。 「I」ブラケットの上部と下部のセクションは、それぞれ可動端と固定端であり、中央はスプリングピースで接続されています。2つのブルドンチューブは平行状態にあり、それぞれコンジットとの高電圧ジョイントと低電圧ジョイントに接続されています。ギアトランスミッションメカニズム。
◆動作原理:圧力センシング要素に基づいて、同じ剛性を持つ2つのブールドンチューブが使用されます。そのため、同じ測定された培地の下でそれぞれ同じ濃度の力を生成することを余儀なくされます。ゼロ位置。
異なる圧力が適用されると(一般に高圧端が低圧の端よりも高い)、可動サポートに作用する2つのブルドンチューブの力は等しくないため、対応する変位がそれぞれ生成され、2つの間の差動値が排除された後に示された後に示されます。
◆注意事項:
1 機器は、測定点と同じレベルの位置に垂直に設置する必要があります。そうしないと、液体レベルの差によって引き起こされる追加の誤差を考慮する必要があります。
2 。マークされた機器コネクタ」 h " または " 「高電圧の終わりであり、マークされたものです」 l " または " - 「低電圧の終わりであり、取り付け中に逆転することはできません。
3 。機器が差圧を測定する場合、差圧値を内で使用できます 75% スケール範囲の上限、およびシステムの最大静的値は、機器で指定された最大静的値を超えてはなりません。
4. 図に示すように 4 、バランス(安全)バルブ(バルブ 1 )設置中に機器の高圧入力ポートと低圧入力ポートの前に設定する必要があり、開いた位置にある必要があり、バランスバルブはバルブの後に閉じている必要があります 2 そして バルブ3 すべて開いています。
5 。使用する前に、機器は、測定された培地によって引き起こされる侵食の程度を慎重に検証する必要があります。
6 。機器が定期的に維持されている場合、メーターカバーを開く必要がある場合は、特別なツールを使用することをお勧めします。
7 。機器の温度変化の影響を受け、適応症エラーが測定の精度に影響を与え、影響を与えると、ケースのプラグボスを切断して、ケースの内側と外側を通信し、空気圧のバランスが取れます。
◆注文通知:
機器を注文する場合、ユーザーは次のことを示す必要があります。
1. 名前とモデル、差圧範囲、最大静圧、測定単位、精度レベル。
2. ジョイントスレッドサイズ:従来 M20 × 1.5 、 NPT1/2 (または顧客指定);
3. 注:3つのバルブグループは、ユーザーに代わってカスタマイズできます(バルブ 1 〜 3 図で 4 )