◆モデル: YP100-L YP150-L YP100-F YP150-F
◆モデル: YP100-L YP150-L YP100-F YP150-F
◆技術的なパラメーター:
| モデル | YP100-l 、 YP100-f | YP150-L 、 YP150-f |
| 公称直径 | f 100 | F 150 |
| 精度クラス | 2.5 | |
| 測定範囲 ( KPA ) | 負圧: -60 〜 0 -40 〜 0 -25 〜 0 -16 〜 0 -10 〜 0 0 〜 10 -6 〜 0 -4 〜 0 -2.5 〜 0 -1.6 〜 0 ポジティブプレッシャー: 0 〜 1.6 0 〜 2.5 0 〜 4 0 〜 6 0 〜 1 0 〜 1.6 0 〜 2.5 正と負の圧力: -0.8 〜 0.8 -1.2 〜 1.2 -2 〜 2 -3 〜 3 -5 〜 5 -8 〜 8 -12 〜 12 -20 〜 20 -30 〜 30 | |
| 測定範囲 ( MPA ) | 真空: -0.1 〜 0 圧力真空: -0.1 〜 0.06 -0.1 〜 0.15 -0.1 〜 0.3 -0.1 〜 0.5 -0.1 〜 0.9 -0.1 〜 1.5 -0.1 〜 2.4 プレッシャー: 0 〜0.06 0 〜 0.1 0 〜 0.16 0 〜 0.25 0 〜 0.4 0 〜 0.6 0 〜 1 0 〜 1.6 0 〜 2.5 | |
| 周囲温度を使用します | -40 ℃~ 70 ℃ | |
| 横隔膜材料 | OCR18NI12MO2TI ; SUS316 ; | |
| 取り付けタイプ | ねじれ( L );フランジ( F )、( F1 )) | |
| 振動抵抗定格 | v ・ h ・ 2 | |
| 侵入保護 | IP64 | |
| 標準を実施します | JB/T 5491 | |
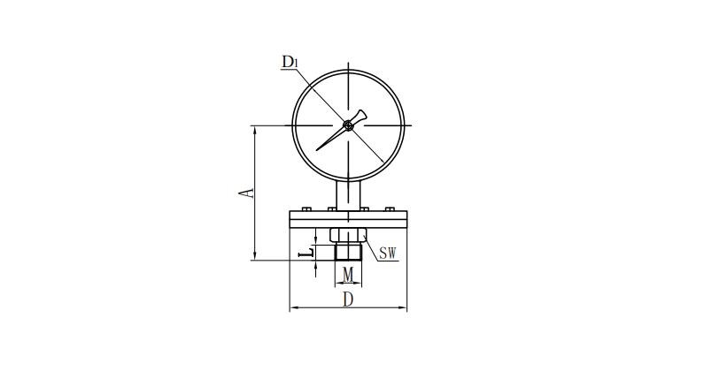
◆外部寸法:
ねじれ( l )
| モデル | 寸法( mm )) | |||||
| a | d | D1 | SW | l | m | |
| YP100-L | 135 | φ 97.5 マイクロプレッシャーφ 165 | 110 | 27 | 20 | m20 × 1.5 |
| YP150-L | 160 | 160 | 27 | 20 | M20 × 1.5 | |
| 注:ジョイントスレッド( M )ユーザーの要件に従ってパイプスレッドまたはテーパーパイプスレッドにすることができます(選択ガイドを参照)。 | ||||||
Wuxi Huihua Special Instrumentation Co.、Ltd。 was established in December 2001, the registered capital is 5 million yuan, the existing staff of more than 50 small and medium-sized joint-stock enterprises.
同社は、輸入機器のローカリゼーションに代わるさまざまな種類の特別な機器の生産を専門としています。地震圧計、地震電気接触圧力計、ステンレス鋼の圧力計、ダイアフラム腐食耐性ゲージ、海洋圧力計、その他のシリーズとしてのメイン製品として。フィールド機器に基づいて、さまざまな種類の圧力送信機、圧力コントローラー、デジタル圧力計などを開発しました。 30を超えるシリーズと3000の仕様があります。供給製品は、石油、化学物質、紙、冶金、鉱業、化学繊維、電力、食品、環境保護、ゴムとプラスチック、油圧、および他の多くの産業、および2,000を超える国内顧客で広く使用されており、国内の大規模な企業との友好的な関係を確立して、優れたパートナーシップを確立し、ユーザーの大部分を称賛し、コーポレートブランドイメージを獲得しました。
として YPシリーズダイアフラム圧力計 Manufacturers、一貫した品質が生産されるように、製造システム全体に厳格な品質管理プロセスが整っています。
圧力計は、産業、機械、またはプロセス環境において最も基本的な計器の 1 つです。流体またはガスの圧力をリアルタイムで測定できるため、オペレーターはシステムのパフォーマンスを監視し、機器の損傷を防ぎ、作業員の安全を確保できます。ただし、「圧力計」という用語は驚くほど幅広いカテゴリの機器をカバーしており、それぞれが特定の測定原理、動作環境、精度要件に合わせて設計されています。利用可能なさまざまな種類のゲージを理解し、どのタイプがどの用......
続きを読む圧力計の基礎を理解する 圧力計 システム内の気体または液体の圧力を測定および表示するために、無数の業界で使用されている重要な機器です。これらのデバイスは、システムパフォーマンスの監視、安全性の確保、機器の損傷の防止、最適な動作条件の維持において重要な機能を果たします。ガレージにあるシンプルなタイヤ空気圧計から原子力発電所の高度なデジタル機器に至るまで、圧力測定デバイスにはさまざまな構成があり、それぞれが特定の用途......
続きを読む差圧トランスミッタは、現代の産業プロセス制御、測定、監視システムに不可欠な機器として機能します。これらのデバイスは、システム内の 2 点間の圧力差を測定し、この測定値を、制御システムが解釈して動作できる標準化された出力信号に変換します。計装に慣れていないエンジニア、技術者、およびプラントオペレータにとって、差圧トランスミッタを理解することは、流量測定、レベル検出、フィルタ監視、およびその他の多数の重要なプロセスアプリケーションを理......
続きを読む