◆モデル:y¨mly¨mfy¨mgy¨mzy¨mky¨mny¨ms
◆アプリケーション:間接測定構造により、ダイアフラム圧力計は、粘度が高く、結晶化しやすい、強い腐食と高温の液体、ガス、または粒状流量固形物の圧力を測定するのに適しています。分離ダイアフラムには、さまざまな異なる腐食性媒体に適応するためのさまざまな材料があります。
これらの機器は、主に化学繊維、合成繊維、石油、染色、アルカリ、酸、食物、医学、建設、採掘、製錬、その他の産業で使用されています。
このタイプの機器のゲージヘッドは、一般的な圧力計、衝撃強耐性圧力計、さまざまな電気接触圧力計、さまざまな衝撃耐性電気接触圧力計、圧力送信機、リモート圧力ゲージ、デジタル圧力ゲージ、圧力コントローラーなど、さまざまなシリーズで使用できます。
◆構造原則:
この機器は間接的な測定です。分離ダイアフラム変形測定された培地の圧力下で、シーリング液が加圧され、圧力が圧力になります。
シーリング液は加圧され、圧力は検出器に伝導されます。これは、測定された培地圧の値を示しています。
◆技術的なパラメーター ::
| メーターヘッドモデル | さまざまな種類の圧力機器、圧力送信機、圧力コントローラーなど。 | |||
| 精度クラス | 1.6 ; 2.5 | |||
| 精度クラス ( MPA ) | 0 〜 0.1 0 〜 0.16 0 〜 0.25 0 〜 0.4 0 〜 0.6 0 〜 1 0 〜 1.6 0 〜 2.5 0 〜 4 0 〜 6 0 〜 10 0 〜 16 0 〜 25 0 〜 40 | |||
| 横隔膜材料 | ニックネーム | 材料 | ニックネーム | 材料 |
| 1 | 0CR18NI12MO2 | 5 | Hastelloy C(H276C) | |
| 2 | SUS304 | 6 | モネル合金(cu30ni70) | |
| 3 | SUS316 | 7 | タンタル(TA) | |
| 4 | SUS316L | 8 | 蛍光(PTFE) | |
| アイソレータ材料 | 1cr18ni9; 304; 316; 316L; F4; PVCなど | |||
| シーリングガスケット材料 | NBR;医療シリコンゴム; PTFE;黒鉛;フルオロエラストマー;等 | |||
| 充填伝導液 | メチルシリコン油、植物油、グリセリン、フッ素化油など。 | |||
| 温度効果 | 導電性流体の熱膨張とダイアフラムの剛性は温度に関連しているため、動作温度が20±5°Cから逸脱すると、誤差値は0.1%/°Cです。 | |||
| 腐食保護 | このパフォーマンスには、環境と測定培地の腐食特性が含まれ、アイソレータ、ダイアフラムシート、シーリングワッシャーの材料を使用する条件に応じて選択できます。 | |||
| レベルの違い | ホース接続されたダイアフラム圧力計は、測定点と圧力計が異なる高さにある場合、圧力差によって生成される液体レベルの差は、機器の測定値に影響します。 | |||
| 実装基準 | JB/T 8624 | |||
| 注:1、コネクタスレッドはユーザーの要件に従ってカスタマイズできます。 2、ユーザー要件に従ってフランジを接続することができます。フランジ標準。 | ||||
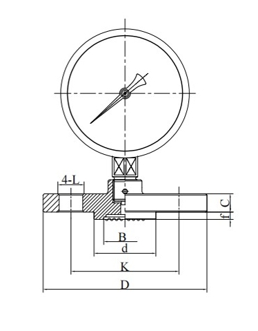
◆アイソレータタイプのサイズとインストール回路図:
| (ML)スレッドインターフェイス | (MF)オープンフェイスフランジ |
























