◆モデル:YJY100 YJY150
◆使用:絶対圧力とは、基準として絶対圧力ゼロ(絶対真空)を使用して、絶対圧力ゼロよりも高い圧力を指します。絶対圧力値は、次の式で表すことができます。
絶対圧力値=真空(負の圧力)値大気圧値
絶対圧力ゲージは、主に一部の真空機器の絶対圧力を監視または測定するために使用されます(たとえば、真空包装機械、凝縮圧力、液体の蒸気圧を監視するための機器など)。
◆作業圧力:静的負荷は測定の上限値の3/4まで使用され、交換負荷は測定の上限値の2/3まで使用され、短時間の圧力は測定の上限値まで使用されます。
◆技術的なパラメーター ::
| モデル番号 | YJY100 | YJY150 | |
| 公称直径 | φ 100 | φ 150 | |
| インストールフォーム | ⅰ | * | * |
| ⅱ | * | * | |
| ⅳ | * | * | |
| ⅵ | * | * | |
| コネクタスレッド | M20 × 1.5 | ||
| 精度クラス | 0.4 ; 1.0 ; 1.6 ; 2.5 | ||
| 測定範囲 ( MPA ) | 0 〜 0.1 0 〜 0.16 0 〜 0.25 0 〜 0.4 0 〜 0.6 0 〜 1 0 〜 1.6 0 〜 2.5 0 〜 4 0 〜 6 0 〜 10 | ||
| 使用の環境条件 | 温度: -40 ℃~ 70 ℃(精度クラス: 0.4 ) -50 ℃~ 160 ℃(精度クラス: 1.0 〜 2.5 ) 相対湿度 :≦ 80% | ||
| 振動定格 | v ・ h ・ 2 ; v ・ h ・ 3 | ||
| 保護クラス | IP65 | ||
| 実装基準 | | ||
| 注:1。ジョイントスレッドは、ユーザーの要件に従ってカスタマイズできます。 | |||
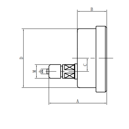
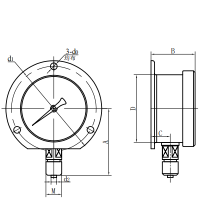
◆外部寸法:
|
ラジアルダイレクトタイプ(ⅰ) | 軸方向のエキセントリックダイレクトタイプ(ⅱ) |
| 軸同心の直接型(iii) | 軸方向のエキセントリックインサートタイプ(iv) |
| モデル番号 | 全体的な寸法( mm ) | |||||||
| a | b | c | d | D0 | D1 | D2 | m | |
| YJY100 -ⅰ | 90 | 48 | 15 | φ 100 | / | / | φ 6 | M20 × 1.5 |
| YJY100 -ⅱ | 83 | 44 | 34 | φ 100 | / | / | φ 6 | M20 × 1.5 |
| YJY100 -ⅳ | 68 | 44 | 34 | φ 100 | φ 6 | φ 118 | φ 6 | M20 × 1.5 |
| YJY100 -ⅵ | 90 | 48 | 15 | φ 100 | φ 6 | φ 118 | φ 6 | M20 × 1.5 |
| YJY150 -ⅰ | 117 | 51 | 16.5 | φ 150 | / | / | φ 6 | M20 × 1.5 |
| YJY150 -ⅱ | 92 | 52 | 55 | φ 150 | / | / | φ 6 | M20 × 1.5 |
| YJY150 -ⅳ | 69 | 52 | 55 | φ 150 | φ 6 | φ 165 | φ 6 | M20 × 1.5 |
| YJY150 -ⅵ | 117 | 53 | 28 | φ 150 | φ 6 | φ 165 | φ 6 | M20 × 1.5 |
























