◆モデル:YQ40 YQ50 YQ60 YQ75 YQ100 YQ150
◆使用:この一連のゲージはすべてステンレス鋼で作られており、内部安全パーティションと上部に圧力リリーフホールがあり、弾性要素の過負荷または疲労によって引き起こされる破裂により、ケース内の過度の圧力を放出し、オペレーターと機器と施設の安全性を保護し、液体充填停止剤と内部補償ダイアフラムが存在します。液体で満たされた安全ゲージは振動耐性であり、振動によるゲージの内側への損傷を防ぎ、内部成分を潤滑して摩耗と腐食を最小限に抑えます。
これらのゲージは、掘削、精製、化学物質、食品、医薬品、海洋、オフショアオイルプラットフォームおよびその他の産業に広く使用されています。
| モデル番号 | YQ60 | YQ100 | YQ150 | |
| 公称直径 | φ 60 | φ 100 | φ 150 | |
| インストールフォーム | ⅰ | * | * | * |
| ⅱ | * | * | * | |
| ⅲ | * | / | / | |
| ⅳ | * | * | * | |
| ⅴ | * | / | / | |
| ⅵ | * | * | * | |
| コネクタスレッド | M14 × 1.5 | M20 × 1.5 | ||
| 精度クラス | 2.5 | 1.6 | ||
| 測定範囲 ( MPA ) | 空いている: -0.1 〜 0 圧力真空: -0.1 〜 0.06 -0.1 〜 0.15 -0.1 〜 0.3 -0.1 〜 0.5 -0.1 〜 0.9 -0.1 〜 1.5 -0.1 〜 2.4 プレッシャー: 0 〜 0.1 0 〜 0.16 0 〜 0.25 0 〜 0.4 0 〜 0.6 0 〜 1 0 〜 1.6 0 〜 2.5 0 〜 4 0 〜 6 0 〜 10 0 〜 16 0 〜 25 0 〜 40 0 〜 60 0 〜 100 0 〜 160 0 〜 250 | |||
| 使用の環境条件 | 温度: -40 ℃~ 70 ℃ | |||
| 振動定格 | v ・ h ・ 3 | |||
| ボーデンチューブ材料 | OCR18NI12MO2TI ; SUS316 ; SUS316L | |||
| ケースとコネクタの素材 | 1cr18ni9ti ; SUS304 | |||
| 保護クラス | IP65 | |||
| 実装基準 | GB/T1226 | |||
| 注:1。ジョイントスレッドは、ユーザーの要件に従ってカスタマイズできます。 | ||||
◆外部寸法:
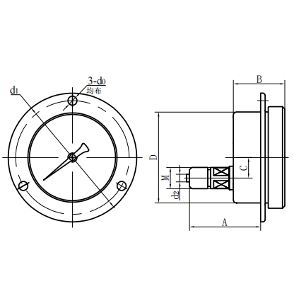
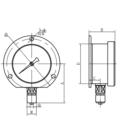
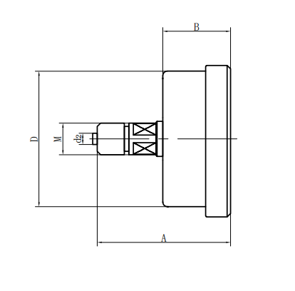
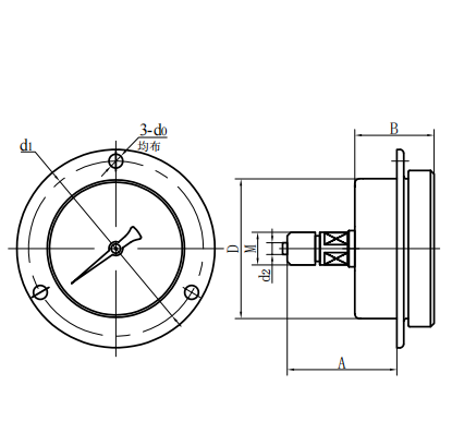
| ラジアルダイレクトタイプ(ⅰ) | 軸方向のエキセントリックダイレクトタイプ(ⅱ) |
| 軸同心の直接型(iii) | 軸方向のエキセントリックインサートタイプ(IV) |
| 軸同心挿入型(v) | ラジアルコンベックスタイプ(VI) |
| モデル番号 | 全体的な寸法( mm ) | |||||||
| a | b | c | d | D0 | D1 | D2 | m | |
| yq60- ⅰ | 56 | 33 | 11 | φ 60 | / | / | φ 5 | M14 × 1.5 |
| yq60- ⅱ | 61 | 32.5 | 18 | φ 60 | / | / | φ 5 | |
| yq60- ⅲ | 61 | 32.5 | / | φ 60 | / | / | φ 5 | M14 × 1.5 |
| yq60- ⅳ | 55 | 32.5 | 18 | φ 60 | φ 5 | φ 75 | φ 5 | |
| yq60- ⅴ | 55 | 32.5 | / | φ 60 | φ 5 | φ 75 | φ 5 | M14 × 1.5 |
| yq60- ⅵ | 56 | 33 | 11 | φ 60 | φ 5 | φ 75 | φ 5 | M14 × 1.5 |
| yq100- ⅰ | 90 | 48 | 15 | φ 100 | / | / | φ 6 | M20 × 1.5 |
| yq100- ⅱ | 83 | 44 | 34 | φ 100 | / | / | φ 6 | M20 × 1.5 |
| yq100- ⅳ | 68 | 44 | 34 | φ 100 | φ 6 | φ 118 | φ 6 | M20 × 1.5 |
| yq100- ⅵ | 90 | 48 | 15 | φ 100 | φ 6 | φ 118 | φ 6 | M20 × 1.5 |
| yq150- ⅰ | 117 | 51 | 16.5 | φ 150 | / | / | φ 6 | M20 × 1.5 |
| yq150- ⅱ | 92 | 52 | 55 | φ 150 | / | / | φ 6 | M20 × 1.5 |
| yq150- ⅳ | 69 | 52 | 55 | φ 150 | φ 6 | φ 165 | φ 6 | M20 × 1.5 |
| yq150- ⅵ | 117 | 53 | 28 | φ 150 | φ 6 | φ 165 | φ 6 | M20 × 1.5 |


















