◆モデル:Ye60 Ye100 Ye150
◆使用:膜ボックス圧力計は、マイクロ圧力計とも呼ばれます。爆発の危険、非結晶化、非凝縮、銅および銅合金に対する非腐食効果のない低いガスまたは蒸気の低い微量圧力を測定するのに適しています。
◆技術的なパラメーター :::
| モデル番号 | ye60 | ye100 | ye150 | |
| 公称直径 | φ 60 | φ 100 | φ 150 | |
| 取り付けタイプ | ⅰ | * | * | * |
| ⅱ | / | * | * | |
| ⅲ | * | / | / | |
| ⅳ | / | * | * | |
| ⅴ | * | / | / | |
| コネクタスレッド | M14 × 1.5 | M20 × 1.5 | ||
| 精度クラス | 1.6 ; 2.5 | |||
| 測定範囲 ( KPA ) | -40 〜 0 -25 〜 0 -16 〜 0 -10 〜 0 -6 〜 0 -4 〜 0 0 〜 4 0 〜 6 0 〜 10 0 〜 16 0 〜 25 0 〜 40 -2 〜 2 -3 〜 3 -5 〜 5 -8 〜 8 -12 〜 12 -20 〜 20 | |||
| 使用の環境条件 | 温度 : -25 ℃~ 55 ℃; 相対湿度 :≤ 80 % | |||
| 振動定格 | v ・ h ・ 2 | |||
| 膜ボックス材料 | QSN4-0.3 | |||
| 保護クラス | IP54 | |||
| 実装基準 | JB/T 9274 | |||
| 注:1。ジョイントスレッドは、ユーザーの要件に従ってカスタマイズできます。 | ||||
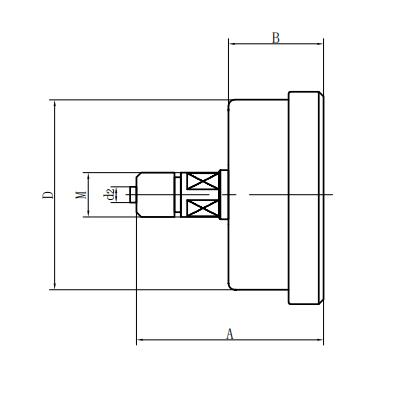
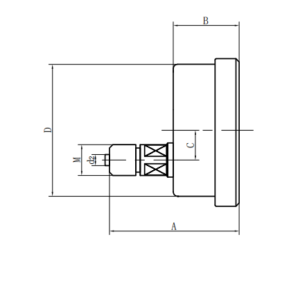
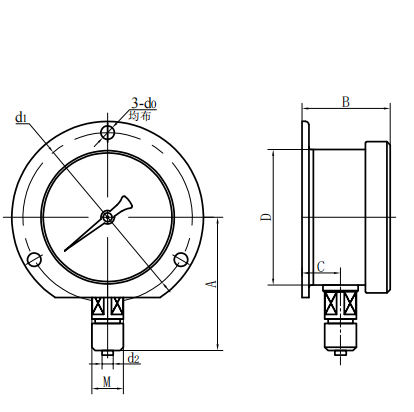
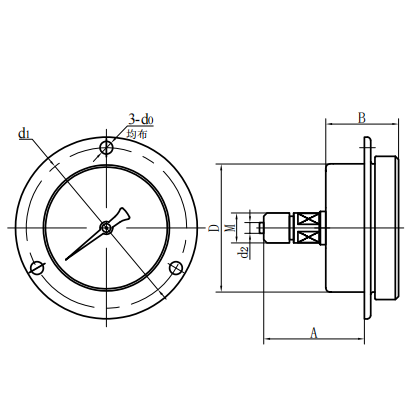
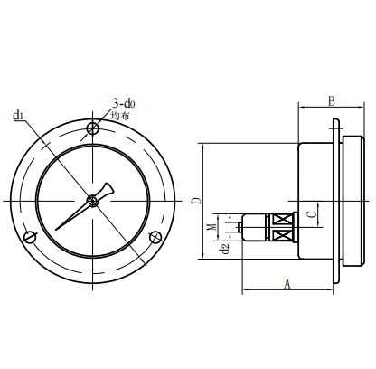
◆外部寸法:
| ラジアルダイレクトタイプ(ⅰ) | 軸方向のエキセントリックダイレクトタイプ(ⅱ) |
| 軸同心の直接型(iii) | 軸方向のエキセントリックインサートタイプ(IV) |
| 軸同心挿入型(v) | ラジアルコンベックスタイプ(VI) |
| モデル番号 | 全体的な寸法 ( mm ) | ||||||
| a | b | c | d | e | D2 | m | |
| ye60 -ⅰ | 58 | 35 | 11 | φ 60 | 5 | φ 4 | M10 × 1 |
| ye60 -ⅲ | 58 | 35 | / | φ 60 | 5 | φ 4 | M10 × 1 |
| | | | | | | | |
| ye100 -ⅰ | 93 | 50 | 16.5 | φ 100 | 16.5 | φ 6 | M20 × 1.5 |
| ye100 -ⅲ | 85 | 50 | / | φ 100 | 16.5 | φ 6 | M20 × 1.5 |
| | | | | | | | |
| ye150 -ⅰ | 118 | 53 | 18.5 | φ 150 | 19 | φ 6 | M20 × 1.5 |
| ye150 -ⅲ | 96 | 53 | / | φ 150 | 19 | φ 6 | M20 × 1.5 |
| | | | | | | | |


















