◆モデル:YN40 YN50 YN60 YN75 YN100 YN150
◆使用:この一連の機器は、特に環境機械の強い振動がある場所に適した良好な衝撃抵抗性を持ち、激しい脈動、衝撃、および中圧の突然の降ろしに耐えることができます。爆発の危険がなく、結晶化せず、固化せず、銅および銅合金に腐食効果がない液体、ガス、または蒸気の圧力を測定するのに適しています。機器は、安定した明確な測定値を示します。重機、鉱業、石油、化学産業、冶金、電力、その他の部門で広く使用されています。
◆実際のアプリケーションでは、さまざまなメディア(石油禁止、耐火性、腐食耐性など)の特別な特性に従って、機器の要件は異なります。そのため、この一連の機器は、対応する多くの特別な機器、名目上の直径、設置タイプ、コネクタスレッド、精度レベル、測定範囲などを導き出します。
2.1可燃性および爆発性媒体の圧力の測定に適しています。脂っこい可燃性物質と接触することは厳密に禁止されています。工場を出る前に脱脂処理が行われ、グリースがないとテストされます。
2.1.1 Yonシリーズ衝撃耐性(地震)酸素圧力計
2.1.2 YHNシリーズショック耐性(地震)水素圧力計
2.1.3 Yynシリーズの衝撃耐性(衝撃)アセチレン圧力計
2.2使用される材料は、培地または機器の腐食に耐性があり、媒体には影響しません。また、検出要素とインターフェイスがきれいでグリースがないことを確認します。
2.2.1ヤンシリーズの衝撃耐性(衝撃)アンモニア圧力計
2.2.2 ydqn衝撃耐性(衝撃)窒素圧力計のシリーズ
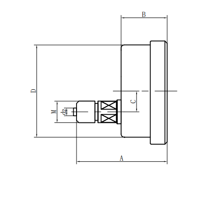
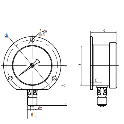
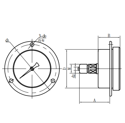
YNシリーズショックプルーフ圧力計
モデル:40mm(1.5 ")、50mm(2")、60mm(2.5 ")、100mm(4")、150mm(6 ")
導入:
一連の機器は、優れた衝撃耐性、安定した適応症、明確な測定値を持ち、激しい機械的振動を持つ場所での使用に特に適しています。また、培地の劇的な脈動、衝撃、突然の負荷削減に耐えることができます。衝撃吸収メカニズムと液体で満たされた設計(通常、グリセリンとシリコンオイル)により、この圧力ゲージは、複雑で不利な条件下でも信頼性の高い正確な圧力測定を確保できます。弾力性と精度のため、さまざまな業界で広く使用されています。



















































































































