◆モデル:YC40 YC50 YC60 YC75 YC100 YC150
◆使用:この一連の機器は、爆発の危険、船舶および関連機器の固化性、液体、ガス、蒸気、およびその他の液体媒体の圧力を測定するのに適しています。
この一連の機器は、ダイヤルのメインスケールで明るいタイプを備えており、ポインターのフロントエンドはアクティブまたはパッシブの永久発光剤でコーティングされているため、圧力値を暗闇ではっきりと読むことができます。
この一連の機器のシェルは完全に密閉されており、海水腐食に対する一定の抵抗があるため、機器の内部成分が波や海水による損傷と腐食から保護されます。
この一連の機器は、海の悪天候によって引き起こされる作業環境の振動に抵抗する能力と、中程度の圧力脈動によって引き起こされる能力を備えているため、この一連の機器は貝殻の低粘度減衰オイルで満たすこともできます。
この一連の機器は、主にオフショア輸送、オフショア石油およびガス畑、オフショア掘削プラットフォーム、海底採掘、内陸航海およびその他の産業で使用されています。
◆技術的なパラメーター ::
| モデル番号 | YLM60 | YLM100 | YLM150 | |
| 公称直径 | φ 60 | φ 100 | φ 150 | |
| 取り付けタイプ | ⅰ | * | * | * |
| ⅱ | * | * | * | |
| ⅲ | * | / | / | |
| ⅳ | * | * | * | |
| ⅴ | * | / | / | |
| ⅵ | * | * | * | |
| コネクタスレッド | M14 × 1.5 | M20 × 1.5 | ||
| 精度クラス | 2.5 | 1.6 | ||
| 測定範囲 ( MPA ) | 空いている: -0.1 〜 0 圧力真空: -0.1 〜 0.06 -0.1 〜 0.15 -0.1 〜 0.3 -0.1 〜 0.5 -0.1 〜 0.9 -0.1 〜 1.5 -0.1 〜 2.4 プレッシャー: 0 〜 0.1 0 〜 0.16 0 〜 0.25 0 〜 0.4 0 〜 0.6 0 〜 1 0 〜 1.6 0 〜 2.5 0 〜 4 0 〜 6 0 〜 10 0 〜 16 0 〜 25 0 〜 40 0 〜 60 0 〜 100 、 0 〜 160 、 0 〜 250 |
| 使用の環境条件 | 温度: -40 ℃~ 70 ℃ |
| 振動定格 | 通常のタイプ: v ・ h ・ 3 ;地震タイプ(液体充填タイプ): v ・ h ・ 4 |
| ボーデンチューブ材料 | QSN4-0.3 、 OCR18NI12MO2TI |
| ケースとコネクタの素材 | 1cr18ni9ti ; SUS304 |
| 保護クラス | IP65 |
| 実装基準 | GB/T 1226 ; JB/T 6804 |
| 注:1。ジョイントスレッドは、ユーザーの要件に従ってカスタマイズできます。 | |
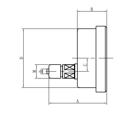
◆外部寸法:
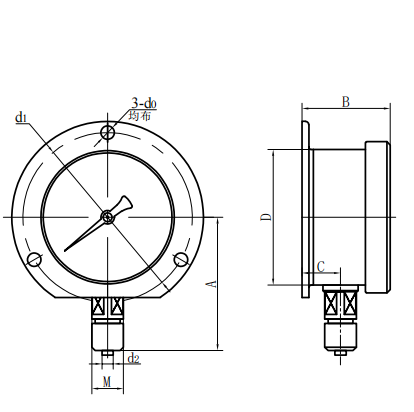
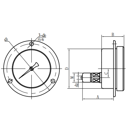
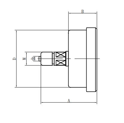
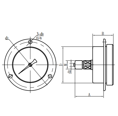
| ラジアルダイレクトタイプ(ⅰ) | 軸方向のエキセントリックダイレクトタイプ(ⅱ) |
| 軸同心の直接型(iii) | 軸方向のエキセントリックインサートタイプ(IV) |
| 軸同心挿入型(v) | ラジアルコンベックスタイプ(VI) |
| モデル番号 | 全体的な寸法(mm) | |||||||
| a | b | c | d | D0 | D1 | D2 | m | |
| yc60- ⅰ | 56 | 33 | 11 | φ 60 | / | / | φ 5 | M14 × 1.5 |
| yc60- ⅱ | 61 | 32.5 | 18 | φ 60 | / | / | φ 5 | |
| yc60- ⅲ | 61 | 32.5 | / | φ 60 | / | / | φ 5 | M14 × 1.5 |
| yc60- ⅳ | 55 | 32.5 | 18 | φ 60 | φ 5 | φ 75 | φ 5 | |
| yc60- ⅴ | 55 | 32.5 | / | φ 60 | φ 5 | φ 75 | φ 5 | M14 × 1.5 |
| yc60- ⅵ | 56 | 33 | 11 | φ 60 | φ 5 | φ 75 | φ 5 | M14 × 1.5 |
| YC100- ⅰ | 90 | 48 | 15 | φ 100 | / | / | φ 6 | M20 × 1.5 |
| YC100- ⅱ | 83 | 44 | 34 | φ 100 | / | / | φ 6 | M20 × 1.5 |
| YC100- ⅳ | 68 | 44 | 34 | φ 100 | φ 6 | φ 118 | φ 6 | M20 × 1.5 |
| YC100- ⅵ | 90 | 48 | 15 | φ 100 | φ 6 | φ 118 | φ 6 | M20 × 1.5 |
| yc150- ⅰ | 117 | 51 | 16.5 | φ 150 | / | / | φ 6 | M20 × 1.5 |
| yc150- ⅱ | 92 | 52 | 55 | φ 150 | / | / | φ 6 | M20 × 1.5 |
| yc150- ⅳ | 69 | 52 | 55 | φ 150 | φ 6 | φ 165 | φ 6 | M20 × 1.5 |
| yc150- ⅵ | 117 | 53 | 28 | φ 150 | φ 6 | φ 165 | φ 6 | M20 × 1.5 |


















