◆モデル:YLM60 YLM100 YLM150
◆アプリケーション:この一連の機器は、主にエアコン冷蔵庫、水チラー、エアドライヤー、または冷媒メーターグループシステムの組み立てで使用される低温または特別な冷媒媒体を検出するための特別な機器です。
また、顧客の要件に応じてさまざまな冷媒マルチラベルパネルを作成することもでき、顧客が選択できるキャップやケース(スイススタイル)はさまざまな種類があります。
最適化されたコネクタの設計と、材料と圧力センシングコンポーネントの選択に関する特別な考慮事項により、この一連の製品には、アンチ漏れ、抗圧力パルス、防止防止の優れた特性があるため、機器の品質が大幅に向上し、製品品質の問題による埋め込みシステムの誤動作と喪失が除去されます。
◆技術的なパラメーター ::
| モデル番号 | YLM60 | YLM100 | YLM150 | |
| 公称直径 | φ 60 | φ 100 | φ 150 | |
| 取り付けタイプ | ⅰ | * | * | * |
| ⅱ | * | * | * | |
| ⅲ | * | / | / | |
| ⅳ | * | * | * | |
| ⅴ | * | / | / | |
| ⅵ | * | * | * | |
| コネクタスレッド | M14 × 1.5 | M20 × 1.5 | ||
| 精度クラス | 2.5 | 1.6 | ||
| 測定範囲 ( MPA ) | 低電圧:(- 30 〜 0 …… 15 ) kg 、、 1.8MPA 抑圧的:( 0 〜 35 ) kg 、、 3.8MPA | |||
| メディアタイプの仕様 | R134A 、 R22a 、 R404A 、 R407A | |||
| 使用の環境条件 | 温度: -20 ℃~ 60 ℃;相対湿度: ≤ 80% | |||
| 振動定格 | v ・ h ・ 3 | |||
| 保護クラス | IP54 | |||
| 実装基準 | GB/T 1226 | |||
| 注:1。ジョイントスレッドは、ユーザーの要件に従ってカスタマイズできます。 | ||||
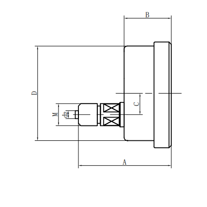
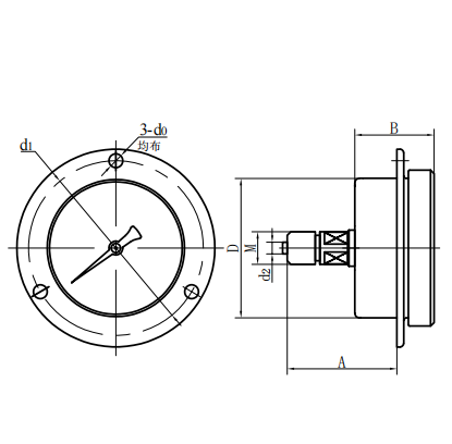
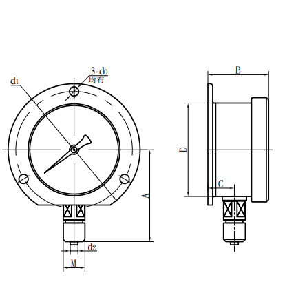
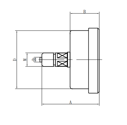
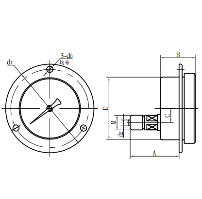
◆外部寸法:
| ラジアルダイレクトタイプ(ⅰ) | 軸方向のエキセントリックダイレクトタイプ(ⅱ) |
| 軸同心の直接型(iii) | 軸方向のエキセントリックインサートタイプ(IV) |
| 軸同心挿入型(v) | ラジアルコンベックスタイプ(VI) |
| モデル番号 | 全体的な寸法 ( mm ) | |||||||
| a | b | c | d | D0 | D1 | D2 | m | |
| YLM60 -ⅰ | 56 | 33 | 11 | φ 60 | / | / | φ 5 | M14 × 1.5 |
| YLM60 -ⅱ | 61 | 32.5 | 18 | φ 60 | / | / | | |
| YLM60 -ⅲ | 61 | 32.5 | / | φ 60 | / | / | φ 5 | M14 × 1.5 |
| YLM60 -ⅳ | 55 | 32.5 | 18 | φ 60 | φ 5 | φ 75 | | |
| YLM60 -ⅴ | 55 | 32.5 | / | φ 60 | φ 5 | φ 75 | φ 5 | M14 × 1.5 |
| YLM60 -ⅵ | 56 | 33 | 11 | φ 60 | φ 5 | φ 75 | φ 5 | M14 × 1.5 |
| YLM100 -ⅰ | 90 | 48 | 15 | φ 100 | / | / | φ 6 | M20 × 1.5 |
| YLM100 -ⅱ | 83 | 44 | 34 | φ 100 | / | / | φ 6 | M20 × 1.5 |
| YLM100 -ⅳ | 68 | 44 | 34 | φ 100 | φ 6 | φ 118 | φ 6 | M20 × 1.5 |
| YLM100 -ⅵ | 90 | 48 | 15 | φ 100 | φ 6 | φ 118 | φ 6 | M20 × 1.5 |
| YLM150 -ⅰ | 117 | 51 | 16.5 | φ 150 | / | / | φ 6 | M20 × 1.5 |
| YLM150 -ⅱ | 92 | 52 | 55 | φ 150 | / | / | φ 6 | M20 × 1.5 |
| YLM150 -ⅳ | 69 | 52 | 55 | φ 150 | φ 6 | φ 165 | φ 6 | M20 × 1.5 |
| YLM150 -ⅵ | 117 | 53 | 28 | φ 150 | φ 6 | φ 165 | φ 6 | M20 × 1.5 |


















