◆モデル:YJ150 YJ150A
◆使用:この一連の機器は、主に産業または市民の通常の圧力計を調整するために使用されます。また、プロセスサイトで銅合金や合金構造鋼などの非腐食性、非結晶化、および非統合培地の圧力を正確に測定するために使用することもできます。
ミラーリングの設定下にあるスケールラインのこの一連の機器は、使用中の読み取りエラーを最小限に抑えることができます。使用中のデバイスを使用して、ポインターがゼロに戻らない場合、メディア圧力が存在しない場合、メディア圧力が微調整される可能性があるため、エラーを減らすためにゼロに戻ることができます。
◆技術的なパラメーター ::
| モデル番号 | YJ150 | YJ150A | |
| 公称直径 | φ 150 | ||
| インストールフォーム | ⅰ | * | * |
| ⅳ | * | * | |
| コネクタスレッド | M20 × 1.5 | ||
| 精度クラス | 0.4 | ||
| 測定範囲 ( MPA ) | 空いている: -0.1 〜 0 圧力真空: -0.1 〜 0.06 -0.1 〜 0.15 -0.1 〜 0.3 -0.1 〜 0.5 -0.1 〜 0.9 -0.1 〜 1.5 -0.1 〜 2.4 プレッシャー: 0 〜 0.1 0 〜 0.16 0 〜 0.25 0 〜 0.4 0 〜 0.6 0 〜 1 0 〜 1.6 0 〜 2.5 0 〜 4 0 〜 6 0 〜 10 0 〜 16 0 〜 25 0 〜 40 0 〜 60 0 〜 100 | ||
| 使用の環境条件 | 温度: 20 ±± 3 ℃ | ||
| 振動定格 | v ・ h ・ 2 | ||
| 保護クラス | IP54 | ||
| 実装基準 | GB/T 1227 | ||
| 注:1。ジョイントスレッドは、ユーザーの要件に従ってカスタマイズできます。 | |||
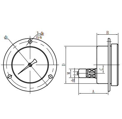
◆外部寸法:
| ラジアルダイレクトタイプ(ⅰ) | 軸方向のエキセントリックダイレクトタイプ(ⅱ) |
| モデル番号 | 全体的な寸法( mm ) | |||||||
| a | b | c | d | D0 | D1 | D2 | m | |
| YJ150- ⅰ YJ150A- ⅰ | 113 | 51 | 21 | φ 150 | / | / | φ 6 | M20 × 1.5 |
| YJ150- ⅳ YJ150A- ⅳ | 79 | 51 | 55 | φ 150 | φ 6 | φ 165 | φ 6 | M20 × 1.5 |


















