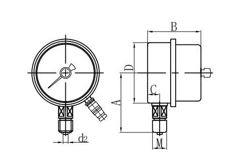
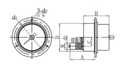
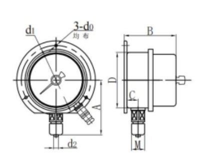
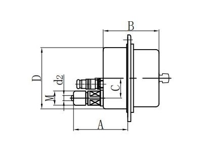
◆モデル: YXCM100 YXCM150
◆ Uses: This kind of instrument is an ideal alternative to the magnetic-assisted electric contact pressure gauge, it retains the advantages of the traditional electric contact pressure gauge with intuitive indication and simple adjustment, and makes fundamental improvements to the inside of the instrument, using magnetic induction integrated circuit to collect signals, with no mechanical contact, no spark anti-interference, fast and sensitive response, safe and reliable work, accurate signal setting and other characteristics.簡単に相互接続できます PC ボード、オプトカプラー、プログラムコントローラー、その他の電子回路、および小さなパワーリレーまたはコンタクタを直接駆動できます。
◆ 衝撃防止型圧力計を作る必要がある場合は、グリセリンまたはシリコンオイルで満たすことができます。


















